555振荡电路测量电容的实验

电容的测量

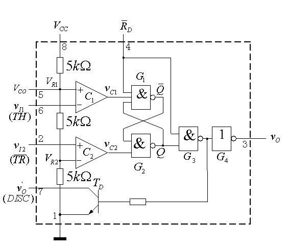
它含有两个电压比较器,一个基本RS触发器,一个放电开关T,比较器的参考电压由三只5KΩ的电阻器构成分压,它们分别使高电平比较器C1同相比较端和低电平比较器C2的反相输入端的参考电平为和。C1和C2的输出端控制RS触发器状态和放电管开关状态。当输入信号输入并超过时,触发器复位,555的输出端3脚输出低电平,同时放电,开关管导通;当输入信号自2脚输入并低于时,触发器置位,555的3脚输出高电平,同时放电,开关管截止。是复位端,当其为0时,555输出低电平。平时该端开路或接VCC。Vc是控制电压端(5脚),平时输出作为比较器C1的参考电平,当5脚外接一个输入电压,即改变了比较器的参考电平,从而实现对输出的另一种控制,在不接外加电压时,通常接一个0.01uf的电容器到地,起滤波作用,以消除外来的干扰,以确保参考电平的稳定。T为放电管,当T导通时,将给接于脚7的电容器提供低阻放电电路。
你可能想看: